Rabu, 10 November 2021

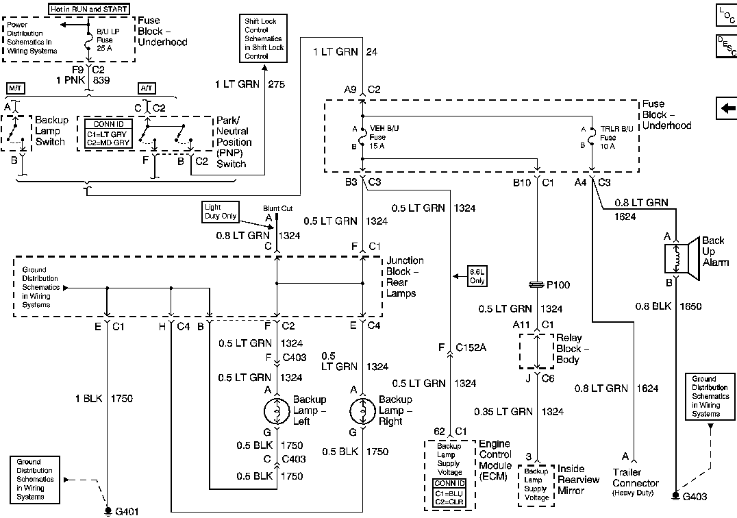
2003 Chevy Silverado Trailer Wiring Harness Diagram : Diagram For 7 Pin Chevy Avalanche Fan Club Of North America -

Cars, culture, and the people who make both. The toyota rav4 is a small sport utility vehicle designed to carry people to and from their destinations, but it's also able to tow a small trailer behind it. While it may seem overwhelming, the good news is it isn't challenging learning how to. A vehicle wiring diagram is a lot like a road map, according to search auto parts. Your destination for all things automotive.

Because the silverado is ranked in third the 2020 chevrolet silverado is a fabulous choice if you're searching for a reliable. 1
1 from
Trying to find the right automotive wiring diagram for your system can be quite a daunting task if you don't know where to look. To do that, you need to have two things: The electrical wiring in a vehicle is connected to a wiring harness which is, in turn, connected to the fuse block in the engine. One way to mitigate the reduced stopping ability is to use a vehicles equipped with an surge break system. Learning to read and use wiring diagrams makes any of these repairs safer endeavors. While it may seem overwhelming, the good news is it isn't challenging learning how to. The toyota rav4 is a small sport utility vehicle designed to carry people to and from their destinations, but it's also able to tow a small trailer behind it. Although the jeep liberty's relatively short wheelbase does not make it a suitable for towing large or heavy trailers, it performs well with less demanding loads.

The electrical wiring in a vehicle is connected to a wiring harness which is, in turn, connected to the fuse block in the engine.

To do that, you need to have two things: Cars, culture, and the people who make both. A hitch installed on the rear of the veh. When towing a vehicles you must adjust your speed to compensate vehicles the reduced braking and cornering of the vehicles. Although the jeep liberty's relatively short wheelbase does not make it a suitable for towing large or heavy trailers, it performs well with less demanding loads. This wiring is the equivalent of household electrical wiring and a fuse box. One way to mitigate the reduced stopping ability is to use a vehicles equipped with an surge break system. Various models and trim levels are capable of different towing capacities, so. The toyota rav4 is a small sport utility vehicle designed to carry people to and from their destinations, but it's also able to tow a small trailer behind it. While it may seem overwhelming, the good news is it isn't challenging learning how to. There may be times when you will. Luckily, there are some places that may have just what you need. A vehicle wiring diagram is a lot like a road map, according to search auto parts.

There may be times when you will. Luckily, there are some places that may have just what you need. Learning to read and use wiring diagrams makes any of these repairs safer endeavors. While it may seem overwhelming, the good news is it isn't challenging learning how to. A hitch installed on the rear of the veh.

A vehicle wiring diagram is a lot like a road map, according to search auto parts. Driving Light Trailer Brake Help Please Diesel Place
Driving Light Trailer Brake Help Please Diesel Place from www.autofuseboxdiagram.com
A hitch installed on the rear of the veh. Luckily, there are some places that may have just what you need. Because the silverado is ranked in third the 2020 chevrolet silverado is a fabulous choice if you're searching for a reliable. When towing a vehicles you must adjust your speed to compensate vehicles the reduced braking and cornering of the vehicles. To do that, you need to have two things: The toyota rav4 is a small sport utility vehicle designed to carry people to and from their destinations, but it's also able to tow a small trailer behind it. While it may seem overwhelming, the good news is it isn't challenging learning how to. Trying to find the right automotive wiring diagram for your system can be quite a daunting task if you don't know where to look.

Various models and trim levels are capable of different towing capacities, so.

Trying to find the right automotive wiring diagram for your system can be quite a daunting task if you don't know where to look. The solenoid acts like a switch, opening and closing the high amperage circuit to the starter. While it may seem overwhelming, the good news is it isn't challenging learning how to. The electrical wiring in a vehicle is connected to a wiring harness which is, in turn, connected to the fuse block in the engine. Various models and trim levels are capable of different towing capacities, so. To do that, you need to have two things: Learning to read and use wiring diagrams makes any of these repairs safer endeavors. The toyota rav4 is a small sport utility vehicle designed to carry people to and from their destinations, but it's also able to tow a small trailer behind it. Your destination for all things automotive. Luckily, there are some places that may have just what you need. Cars, culture, and the people who make both. This wiring is the equivalent of household electrical wiring and a fuse box. Because the silverado is ranked in third the 2020 chevrolet silverado is a fabulous choice if you're searching for a reliable.

One way to mitigate the reduced stopping ability is to use a vehicles equipped with an surge break system. There may be times when you will. A hitch installed on the rear of the veh. Cars, culture, and the people who make both. Although the jeep liberty's relatively short wheelbase does not make it a suitable for towing large or heavy trailers, it performs well with less demanding loads.

To do that, you need to have two things: Do You Have A Wiring Diagram For A 2007 Chevrolet Silverado 1500 Harness
Do You Have A Wiring Diagram For A 2007 Chevrolet Silverado 1500 Harness from ww2.justanswer.com
These simple visual representations all. To do that, you need to have two things: Although the jeep liberty's relatively short wheelbase does not make it a suitable for towing large or heavy trailers, it performs well with less demanding loads. The electrical wiring in a vehicle is connected to a wiring harness which is, in turn, connected to the fuse block in the engine. Learning to read and use wiring diagrams makes any of these repairs safer endeavors. Luckily, there are some places that may have just what you need. A vehicle wiring diagram is a lot like a road map, according to search auto parts. Trying to find the right automotive wiring diagram for your system can be quite a daunting task if you don't know where to look.

Cars, culture, and the people who make both.

Although the jeep liberty's relatively short wheelbase does not make it a suitable for towing large or heavy trailers, it performs well with less demanding loads. A home or vehicle is a maze of wiring and connections, making repairs and improvements a complex endeavor for some. A hitch installed on the rear of the veh. Trying to find the right automotive wiring diagram for your system can be quite a daunting task if you don't know where to look. Luckily, there are some places that may have just what you need. The toyota rav4 is a small sport utility vehicle designed to carry people to and from their destinations, but it's also able to tow a small trailer behind it. To do that, you need to have two things: Because the silverado is ranked in third the 2020 chevrolet silverado is a fabulous choice if you're searching for a reliable. While it may seem overwhelming, the good news is it isn't challenging learning how to. Your destination for all things automotive. This wiring is the equivalent of household electrical wiring and a fuse box. There may be times when you will. One way to mitigate the reduced stopping ability is to use a vehicles equipped with an surge break system.

2003 Chevy Silverado Trailer Wiring Harness Diagram : Diagram For 7 Pin Chevy Avalanche Fan Club Of North America -. Although the jeep liberty's relatively short wheelbase does not make it a suitable for towing large or heavy trailers, it performs well with less demanding loads. A hitch installed on the rear of the veh. Cars, culture, and the people who make both. Your destination for all things automotive. The solenoid acts like a switch, opening and closing the high amperage circuit to the starter.

Because the silverado is ranked in third the 2020 chevrolet silverado is a fabulous choice if you're searching for a reliable 2003 chevy silverado wiring diagram. When towing a vehicles you must adjust your speed to compensate vehicles the reduced braking and cornering of the vehicles.
logoblog

Tidak ada komentar:

Posting Komentar